摘 要:为了提高高电压设备维修实效性,实现设备的状态检修,因而国家电网公司提倡对高压电气设备进行状态在线监测。然而目前国内的在线监测厂家都面临着电力设备的干扰问题;本文结合政平500KV换流站高压电气设备状态在线监测系统的实际实施过程,分析了高压电气设备状态在线监测系统在换流站应用时所受的干扰;结合实际应用的过程,实践出了一些有效抗干扰措施。
关键词:换流站;高压电气设备状态在线监测;传感器;干扰;抗干扰措施
0 引言
目前,在线监测系统在电力系统中的应用已开始日渐普及,高电压电气设备状态在线监测系统在实际应用中,众多的干扰直接影响着传感器的测量精度和测量数据的准确性等在线监测系统的各个环节,关系着状态检修的实施效果。干扰现象十分复杂,而较为突出的干扰则是电磁干扰和交直流混合运行对电网的干扰以及最普遍的工频干扰。下面就结合政平换流站的高压电气设备状态在线监测项目浅谈一下换流站的主要干扰要素和高压电气设备状态在线监测系统的抗电磁和工频等干扰的措施。
1 干扰分析
政平500kV换流站电气设备在线监测系统为分层分布式在线监测系统,其监测内容有:对电容器,测量主绝缘泄露电流、介损tgδ及电容量;对氧化锌避雷器,测量泄漏全电流、阻性电流和功耗;另外还监测和记录现场温度、湿度等环境参量。该类装置的系统结构图见图1,站方在线监测站系统通过现场总线(LonWorks现场总线)控制就地监测终端,并采用电话拨号方式将数据远传至局方在线监测主站。局方在线监测主站系统包括数据库服务器和应用服务器以及WEB查询工作站三大部分,数据服务器完成数据的存储、数据的维护以及与其他系统接口的功能,应用服务部分主要完成数据的处理、查询、分析和诊断。站方在线监测站系统完成对所管辖终端装置的同步测量控制、通信管理、数据收集、数据处理、存储;数据的查询显示、分析功能;并将有关数据上传局方主站系统。就地监测终端完成信号的调理、模数转换和预处理并上传波形数据及计算结果。

图1 高压电气设备状态在线监测系统组成图站
按照图一系统结构进行施工安装后,高压电气设备状态在线监测系统测得62#母避雷器设备的数据波形如图2。

图2 62#母线避雷器数据波形
由图2可见,由于干扰导致在线监测测得的全电流数据为5mA左右,而实际的全电流值则在1.8 mA左右,造成了数据的严重失真。
结合系统和避雷器设备的实际安装情况和图一的系统结构进行分析,得出换流站高压电气设备状态在线监测系统可能存在的主要干扰源有①静电感应,是由于两条支电路或元件之间存在着寄生电容,使一条支路上的电荷通过寄生电容传送到另一条支路上去,因此又称电容性耦合;②电磁感应,当两个电路之间有互感存在时,一个电路中电流的变化就会通过磁场耦合到另一个电路,这一现象称为电磁感应。例如变压器及线圈的漏磁、通电平行导线等;③漏电流感应,由于电子线路内部的元件支架、接线柱、印刷电路板、电容内部介质或外壳等绝缘不良,特别是传感器的应用环境湿度较大,绝缘体的绝缘电阻下降,导致漏电电流增加就会引起干扰。尤其当漏电流流入测量电路的输入级时,其影响就特别严重;④射频干扰 ,主要是大型动力设备的启动、操作停止的干扰和高次谐波干扰。如可控硅整流系统的干扰等;⑤工频干扰,换流站各种工作频率非常复杂。现场系统除了易受以上干扰外,由于系统工作环境较恶劣,还容易受到机械干扰、热干扰及化学干扰等。其次,信号传输通道是控制系统或驱动器接收反馈信号和发出控制信号的途径,因为脉冲波在传输线上会出现延时、畸变、衰减与通道干扰,所以在传输过程中,长线的干扰是主要因素。任何电源及输电线路都存在内阻,正是这些内阻才引起了电源的噪声干扰,如果没有内阻,无论何种噪声都会被电源短路吸收,线路中也不会建立起任何干扰电压。
因此,需要对系统的各个环节进行针对性的抗干扰措施。
2 抗干扰措施的具体实施
2.1 传感器的抗干扰措施
隔离,高压电气设备状态在线监测中使用的传感器采用穿芯式传感器,把对电磁干扰敏感的传感器隔离开来,使它们不发生电气的联系;屏蔽,导磁性能好的导体和导电性能较好的材料(例如铜、冷扎钢、铝等)作完整的屏蔽。高压电气设备状态在线监测改进时使用的传感器采用冷扎钢封闭处理,安装时将其固定在封闭的筑铝防水盒中,有效的进行电气和电磁的屏蔽,从而切断干扰源和被干扰对象之间的电力线,以免除电容性耦合的电器和电磁干扰;良好的屏蔽接地,当导线的长度小于工作信号波长的1/20时,采用单点接地式,否则采用多点接地式。接地的长度尽可能短。
2.2 信号传输和处理的抗干扰措施
①使用双屏蔽加密同轴电缆,具有很好的绝缘性能和屏蔽效果。这样,防止由于接触引入的干扰和泄露引起的信号变化;②搭接,把一定的金属部件机械地连接在一起来实现低电阻的电气接触,保证系统电气性能的稳定时,系统做了了几点改进, a.尽可能用同样的金属搭接,保证搭接的直流电阻不大于25毫欧。b.对不同金属进行搭接要注意各种金属在电化学序列表中的相对位置。电位差要尽可能小,并有合适的防腐蚀措施。c.修整搭接表面,清洗所有配接表面,以便得到最大的接触面积。为防止氧化,搭接后立即涂复保护层。d.对于永久性搭接,使用熔焊或铜焊、锡焊连接所有的接合面。射频搭接采用永久性搭接。e.不允许用螺栓或螺钉的螺纹来完成射频搭接。f.压紧所有的射频衬垫。帮助实现对射频骚扰的抑制。③信号电缆屏蔽层采用360度搭接的方式与电缆接头焊接(即电缆屏蔽层与接头360度接触).④信号就近数据化,将信号处理的监测终端放在离信号源最近的位置,近而减少了信号的干扰,从而保证了信号的准确性和真实性。⑤屏蔽接地(模拟信号的屏蔽层的接地)工作接地,工作接地按工作频率采用不同的接地方式。工作频率低的(小于1MHz)采用单点接地式,即把整个电路系统中的一个结构点点看作接地参考点,所有对地连接都接到这一点上,并设置一个安全接地螺栓。工作频率高的(大于30MHz)采用多点接地式,即在该电路系统里,用一块接地平板代替电路中每部分各自的地回路。其主要原因是接地引线的感抗与频率和长度成正比,工作频率高时将增加共地阻抗,从而将增大共地阻抗产生的电磁干扰。工作频率在上述两者之间的可采用混合接地方式。电缆的屏蔽层与屏蔽机箱之间360°搭接,使其满足哑铃模型的要求。接地电阻一般要求接地电阻小于4Ω。
2.3 其他环节的抗干扰措施
数据传输的抗干扰措施①电路的屏蔽体,即用屏蔽材料将电磁辐射源屏蔽起来,并将屏蔽体接地,以降低电磁辐射的干扰。屏蔽体内的电路电地线只能一点接屏蔽体,而不得利用屏蔽体作返回导体②使用加密屏蔽双绞线,数据传输采用及加密屏蔽双绞线代替两根平行导线是抑制磁场干扰的有效办法。原理是每个小绞纽环中会通过交变的磁通,而这些变化磁通会在周围的导体中产生电动势,它由电磁通感应定律决定,相邻绞纽环中在同一导体上产生的电动势方向相反,相互抵消,这对电磁干扰起到较好的抑制作用。③屏蔽接地,采用了信号传输处理中的360°搭接方法,使其满足哑铃模型的要求。④ 系统的接地,将各电子器件的工作接地应连在一起,通过一点与安全接地网相连;工作接地网各点的电位尽量保持一致。
3 抗干扰措施的效果
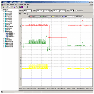
系统通过以上的改进后,高压电气设备状态在线监测系统测得62#母避雷器设备的数据波形如图三。

图3 62#母线避雷器数据波形
由图3可见,经过一些有效的抗干扰措施后,测得62#母线避雷器的全电流的值为1.8 mA左右。其他的数均达到了理想效果。
4.结束语
分析了高压电气设备状态在线监测系统在应用时所受到的干扰。在针对性的实施了一系列的抗干扰措施后,取得了较好的效果。
总结了高压电气设备状态在线监测系统在应用时的一些有效的抗干扰措施。
参 考 文 献
[1] 陈 穷。电磁兼容性工程设计手册[M]。北京:国防工业出版社,1993。
[2] GB/T17626.8-1998,工频磁场抗干扰试验[S]。
[3] 吴茂林,崔 翔。变电站地电位差对屏蔽电缆的电磁干扰分析[J]。高电压技术。
[4] 黄 海,张 辉,华栋。变电站的电磁干扰及电磁兼容问题[J]。电力建设,2002,23(2):32-33。
[5] 高攸纲。电磁兼容总论[M]。北京:北京邮电大学出版社,2001。
[6] 甘甫烷,周佩白,陈文针。使用FDTD进行屏蔽盒的屏蔽效果分析[J]。高电压技术,2001,27(3):22。
[7] 钱冠军、张国清等.变电站高压电气设备在线监测系统说明书.武汉高压研究所华电公司。